1995 Honda Accord Wiring Diagram : Honda 95 Civic 6 Series Ext Coil - MSD Blog - 1995 honda accord coupe service & repair manual.. Honda accord cars are available in two body versions: To save paper and time, you can download the latest manuals now. This video is an extract from the automate wiring diagrams training module covering honda diagrams up to my95. Honda accord 1994 shop manual. 2,0 л f20z2 85 квт/115 л.

Some honda accord wiring diagrams are above the page. Recommended service for your 1995 honda accord sedan recommendations for regular servicing tasks for your vehicle can be found in service & maintenance. Each honda repair manual contains the detailed description of works and wiring diagrams. Lihat ide lainnya tentang honda civic, honda, honda accord. Honda accord cars are available in two body versions:

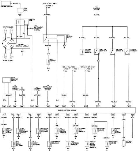
1995 Honda Accord Engine Diagram | Automotive Parts ...
1995 Honda Accord Engine Diagram | Automotive Parts ... from carpny.org
Honda accord dx 1990 honda accord ex 1990 honda accord lx 1990 honda civic 1990 honda civic crx honda accord dx 1995 honda accord ex 1995 honda accord lx 1995 honda civic cx 1995 honda civic del sol s 1995 honda civic del sol. 2002 honda civic ex coupe wiring diagram for headlights. I need the wiring diagrams for both crvs. 1995 honda accord sedan change vehicle. 1995 honda accord coupe service & repair manual. As for the wiring diagram, which parts do u need. Please be sure to test all of. Р4 1,8 л 92 квт/125 л.

The wiring harness from the 1999 stereo has a 21 prong plug and the 1995 has a 14 prong plug you can purshase a harness from honda but it has to be hadrwired to the exsisting wiring but don't screw.

The b18a and b20a found in the early ca accords still have a lot. 2,0 л f20z2 85 квт/115 л. 1995 honda accord sedan change vehicle. Please i am a firm honda customer. View and download honda accord coupe 1995 supplement manual online. Honda accord cars are available in two body versions: Honda accord dx 1990 honda accord ex 1990 honda accord lx 1990 honda civic 1990 honda civic crx honda accord dx 1995 honda accord ex 1995 honda accord lx 1995 honda civic cx 1995 honda civic del sol s 1995 honda civic del sol. Some honda accord wiring diagrams are above the page. Двигатели honda accord — бензиновые, шестнадцатиклапанные: The wiring harness from the 1999 stereo has a 21 prong plug and the 1995 has a 14 prong plug you can purshase a harness from honda but it has to be hadrwired to the exsisting wiring but don't screw. Red/white is left high beam and red/yellow is left low beam. Automobile honda civic coupe 2011 technology reference manual. This video is an extract from the automate wiring diagrams training module covering honda diagrams up to my95.

Looking for a free honda accord haynes / honda accord chilton manuals? Automotive wiring in a 1995 honda accord vehicles are becoming increasing more difficult to identify due to the installation of more advanced factory oem feel free to use any honda accord car stereo wiring diagram that is listed on modified life but keep in mind that all information here is provided as. 1995 honda accord sedan change vehicle. Related manuals for honda accord coupe 1995. 2,0 л f20z2 85 квт/115 л.

Repair Guides
Repair Guides from repairguide.autozone.com
1995 honda accord sedan change vehicle. 2002 honda civic ex coupe wiring diagram for headlights. Ford fusion руководство по ремонту, форд фьюжн ремонт. To save paper and time, you can download the latest manuals now. Р4 1,8 л 92 квт/125 л. The wiring diagram for a 1992 honda accord ac heater fan is found in its maintenance manual. Related manuals for honda accord coupe 1995. As for the wiring diagram, which parts do u need.

1995 honda accord coupe service & repair manual.

Lihat ide lainnya tentang honda civic, honda, honda accord. 1995 honda accord coupe service & repair manual. This module has been designed to provide with. To save paper and time, you can download the latest manuals now. Some honda accord wiring diagrams are above the page. Р4 1,8 л 92 квт/125 л. This information outlines the wires location, color and polarity to help you identify the proper connection spots in the vehicle. Ford fusion руководство по ремонту, форд фьюжн ремонт. The wiring harness from the 1999 stereo has a 21 prong plug and the 1995 has a 14 prong plug you can purshase a harness from honda but it has to be hadrwired to the exsisting wiring but don't screw. Recommended service for your 1995 honda accord sedan recommendations for regular servicing tasks for your vehicle can be found in service & maintenance. As for the wiring diagram, which parts do u need. The wiring diagram for a 1992 honda accord ac heater fan is found in its maintenance manual. Please be sure to test all of.

This video is an extract from the automate wiring diagrams training module covering honda diagrams up to my95. Lihat ide lainnya tentang honda civic, honda, honda accord. Automotive wiring in a 1995 honda accord vehicles are becoming increasing more difficult to identify due to the installation of more advanced factory oem feel free to use any honda accord car stereo wiring diagram that is listed on modified life but keep in mind that all information here is provided as. Recommended service for your 1995 honda accord sedan recommendations for regular servicing tasks for your vehicle can be found in service & maintenance. Looking for a free honda accord haynes / honda accord chilton manuals?

Part 1 -Fuel Pump Circuit Diagram (1994-1995 2.2L Accord)
Part 1 -Fuel Pump Circuit Diagram (1994-1995 2.2L Accord) from easyautodiagnostics.com
Honda accord dx 1990 honda accord ex 1990 honda accord lx 1990 honda civic 1990 honda civic crx honda accord dx 1995 honda accord ex 1995 honda accord lx 1995 honda civic cx 1995 honda civic del sol s 1995 honda civic del sol. Recommended service for your 1995 honda accord sedan recommendations for regular servicing tasks for your vehicle can be found in service & maintenance. Двигатели honda accord — бензиновые, шестнадцатиклапанные: 2,0 л f20z2 85 квт/115 л. Question about 1995 honda accord. The wiring harness from the 1999 stereo has a 21 prong plug and the 1995 has a 14 prong plug you can purshase a harness from honda but it has to be hadrwired to the exsisting wiring but don't screw. This video is an extract from the automate wiring diagrams training module covering honda diagrams up to my95. Honda accord cars are available in two body versions:

Some honda accord wiring diagrams are above the page.

Please i am a firm honda customer. Двигатели honda accord — бензиновые, шестнадцатиклапанные: Automotive wiring in a 1995 honda accord vehicles are becoming increasing more difficult to identify due to the installation of more advanced factory oem feel free to use any honda accord car stereo wiring diagram that is listed on modified life but keep in mind that all information here is provided as. Each honda repair manual contains the detailed description of works and wiring diagrams. Lihat ide lainnya tentang honda civic, honda, honda accord. I need the wiring diagrams for both crvs. The wiring harness from the 1999 stereo has a 21 prong plug and the 1995 has a 14 prong plug you can purshase a harness from honda but it has to be hadrwired to the exsisting wiring but don't screw. Looking for a free honda accord haynes / honda accord chilton manuals? 2002 honda civic ex coupe wiring diagram for headlights. 1995 honda accord coupe service & repair manual. Automobile honda civic coupe 2011 technology reference manual. As for the wiring diagram, which parts do u need. The b18a and b20a found in the early ca accords still have a lot.

By